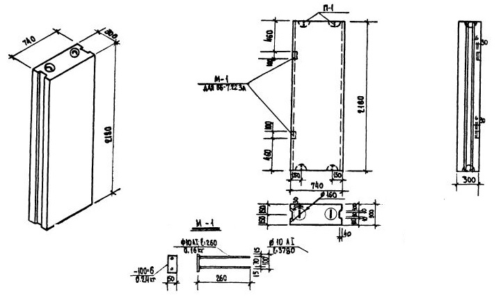
ВБ-7.22.3

Чертеж изделия:
Чертеж ВБ-7.22.3
Характеристики изделия:
ПараметрЗначение
Длина740 мм
Ширина300 мм
Высота2180
Масса842 кг
Нормативный документСерия 1.134-1

ВБ-7.22.3   Блоки внутренних стен вертикальные по Серии 1.134-1.