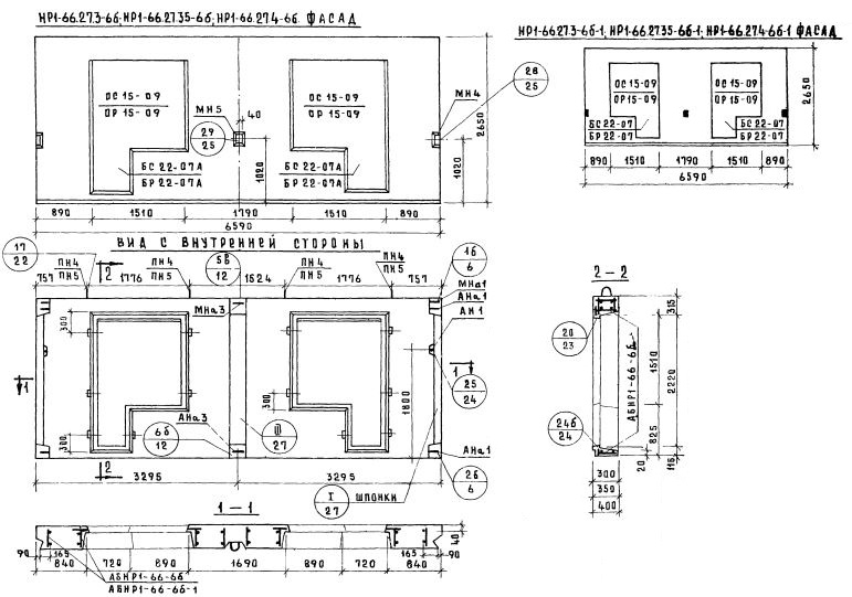
НР1-66.27.35-6б

Чертеж изделия:
Чертеж НР1-66.27.35-6б
Характеристики изделия:
ПараметрЗначение
Длина6590 мм
Ширина350 мм
Высота2650 мм
Масса5980 кг
Нормативный документСерия 1.132-1

НР1-66.27.35-6б   Наружная стеновая панель рядовая по Серии 1.132-1.